Ningbo Richge Technology Co., Ltd.
Ningbo Richge Technology Co., Ltd.
Produse
VBI-24 tip fix de izolare cilindru MV Breaker de vid
  • VBI-24 tip fix de izolare cilindru MV Breaker de vidVBI-24 tip fix de izolare cilindru MV Breaker de vid
  • VBI-24 tip fix de izolare cilindru MV Breaker de vidVBI-24 tip fix de izolare cilindru MV Breaker de vid

VBI-24 tip fix de izolare cilindru MV Breaker de vid

Model:VBI-24
Întrerupătorul de vid interior al seriei VBI este o nouă generație de întrerupătoare inteligente de circuite de vid. Componentele sale vii, inclusiv interruptorul de vid de înaltă performanță și terminalele de ieșire superioare și inferioare, sunt încapsulate în terminalele de rășină epoxidică. Acest design ajută la prevenirea contaminării pe suprafața interruptorului de vid, îmbunătățirea proprietăților sale de izolare, stabilitatea mecanică și extinderea duratei de viață operaționale. Mecanismul de funcționare al VBI-24 BEAKER CIRCUIT DE TIP MONTAT LITE LITE este utilizat cu arc la energie de stocare, care poate fi operat în două moduri, manual sau electric. Caracteristicile sunt în conformitate cu GB1984-89, JB3855-96<10kv Indoor High Voltage Vacuum Circuit Breaker General Technical Specifications>, Dispoziții relevante ale standardului IEC56. VBI-24 Break-ul de circuit de vid de înaltă tensiune este trifazat AC 50Hz , tensiunea nominală a dispozitivului interior de 24kV , pentru întreprinderile industriale și miniere, centralele electrice și sub-stațiile ca scopuri de control și protecție a echipamentelor electrice și pentru funcționarea frecventă a locului.

VBI-24 tip fix de izolare cilindru MV Breaker de vid

   Seria VBI-24 de întrerupător de vid de înaltă tensiune de înaltă tensiune cu stâlpi încorporați este trei fraze A.C.50 Hz Echipamente de distribuție a energiei interioare cu tensiunea nominală de 24 kV.Et utilizate pentru protejarea și controlul echipamentelor electrice în domeniile industriei și a întreprinderii miniere, a centralelor electrice și a subtătoriilor.

   Principalul circuit conductor al acestui tip de întrerupător de vid cu mecanism de arc este polul încorporat, care poate îmbunătăți considerabil fiabilitatea izolației, performanța mecanică și de rupere și realizează cu adevărat întreținerea liberă și viața mecanică și mai lungă. Capacitatea atinge gradul M-E2-C2.

   Produsul este utilizat pentru multe tipuri de comutator, cum ar fi Kyn28-24 (GZS1) și poate fi instalare fixă.

  VBI-24 Break-ul de circuit de vid de înaltă tensiune este trifazat AC 50Hz , tensiunea nominală a dispozitivului interior de 24kV , pentru întreprinderile industriale și miniere, centralele electrice și sub-stațiile ca scopuri de control și protecție a echipamentelor electrice și pentru funcționarea frecventă a locului.







Informații de bază.


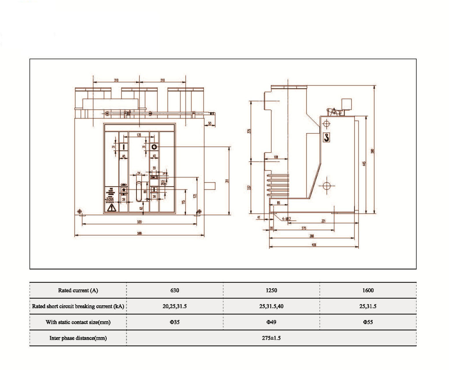
Parametri tehnici




Desene tehnice

FAQ

Î: Aș putea avea prețuri ale produselor dvs.?

R: Bine ați venit. Vă rugăm să nu ezitați să ne trimiteți întrebări aici. Vă vom răspunde în 24 de ore.


Î: Pot obține un eșantion înainte de comanda în vrac?

R: Da, salutăm comanda de eșantion pentru a testa și verifica calitatea. Probele mixate sunt acceptabile.


Î: Ne putem imprima numele logo -ului/ companiei pe produse?

R: Da, desigur, acceptăm OEM, atunci avem nevoie să ne furnizați autorizația de marcă


Î: Acceptați personalizarea produsului?

R: Da, desigur, vă rugăm să furnizați desene sau parametri specifici, vă vom cita după evaluare


Î: Care este timpul principal?

R: Timpul de plumb depinde de cantitățile comandate, în general în termen de 7-20 de zile de la primirea plății.


Î: Care sunt termenii dvs. de comerț?

R: Acceptăm Exw, FOB, CIF, FCA, etc.


Î: Care este metoda dvs. de plată?  

R: Acceptăm T/T, Western Union, PayPal, L/C irevocabil la vedere, etc.


Î: Inspectați produsele finite?

R: Da, fiecare etapă a producției și a produselor finite va fi ieșit în evidență de către departamentul QC înainte de transport. Și vom furniza rapoarte de inspecție a mărfurilor pentru referința dvs. înainte de expediere


Î: Cum să rezolvi problemele de calitate după vânzări?

R: Faceți fotografii cu problemele de calitate și trimiteți -ne pentru verificarea și confirmarea noastră, vom face o soluție satisfăcută pentru dvs. în termen de 3 zile.




Fabrică


Certificat




Hot Tags: VBI-24 tip fix de izolare fixă ​​cilindru MV Breaker de vid, China, producător, furnizor, fabrică, preț scăzut, calitate, ultima vânzare, avansat
Trimite o anchetă
Informatii de contact
Pentru întrebări despre aparatura de joasă tensiune, izolatori de înaltă tensiune, întrerupător de împământare de înaltă tensiune sau lista de prețuri, vă rugăm să ne lăsați e-mailul și vă vom contacta în 24 de ore.
X
Folosim cookie-uri pentru a vă oferi o experiență de navigare mai bună, pentru a analiza traficul site-ului și pentru a personaliza conținutul. Prin utilizarea acestui site, sunteți de acord cu utilizarea cookie-urilor. Politica de confidențialitate
Respinge Accepta